Features
This three-phase multifunction meter can measure the flowing basic parameters: voltage, current, frequency total power factor, active power, reactive power, apparent power, active energy, and reactive energy.


APM-96J 3 phase multifunction meter has the time of use (TOU) function. According to this TOU function, you can record the electricity consumption in different periods by presetting the periods. Then you can find the peak time of consumption to optimize energy usage and cost savings.
The three-phase multifunction meter has THD measurement for power and current (i.e. voltage current harmonic distortion). The individual harmonic measurement is up to 2-63rd. The THD measurement function of the three-phase multifunction energy meter can help you understand the harmonic situation in the power grid so that they can take corresponding measures to improve the power quality and protect the equipment.


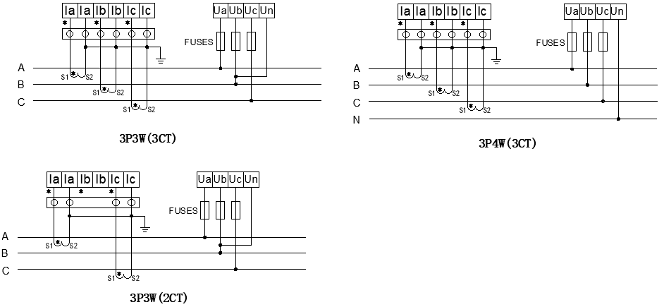
To adapt to any application, the APM-96J 3 phase multifunction meter provides a variety of customizable options including I/O modular, current sensor, and communication interface. The three types of output are built-in pulse output, optional analog output, and optional digital Input/output (up to 6DI/4DO). Moreover, select a current input option for the APM-96J: 5A/1A CT. Customize your 3-phase multifunctional meter with RS485 or Ethernet port. Compatible with Modbus RTU, TCP, or Profibus protocol.








-1-300x300.jpg)

