Features
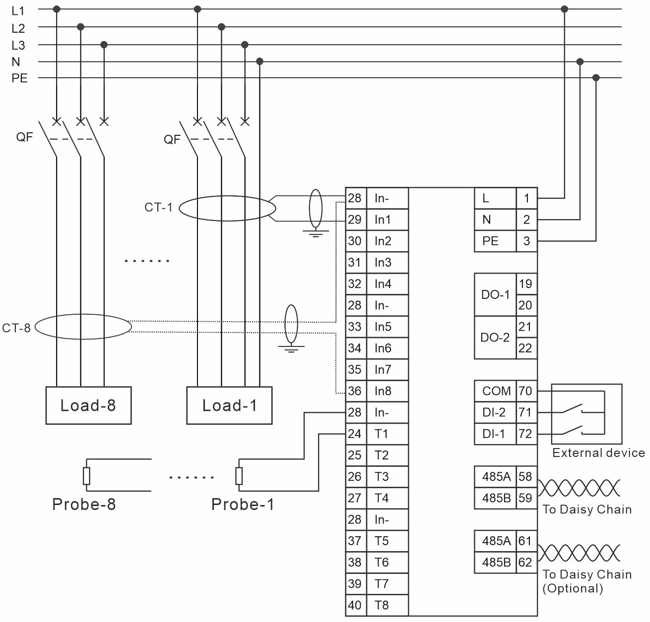
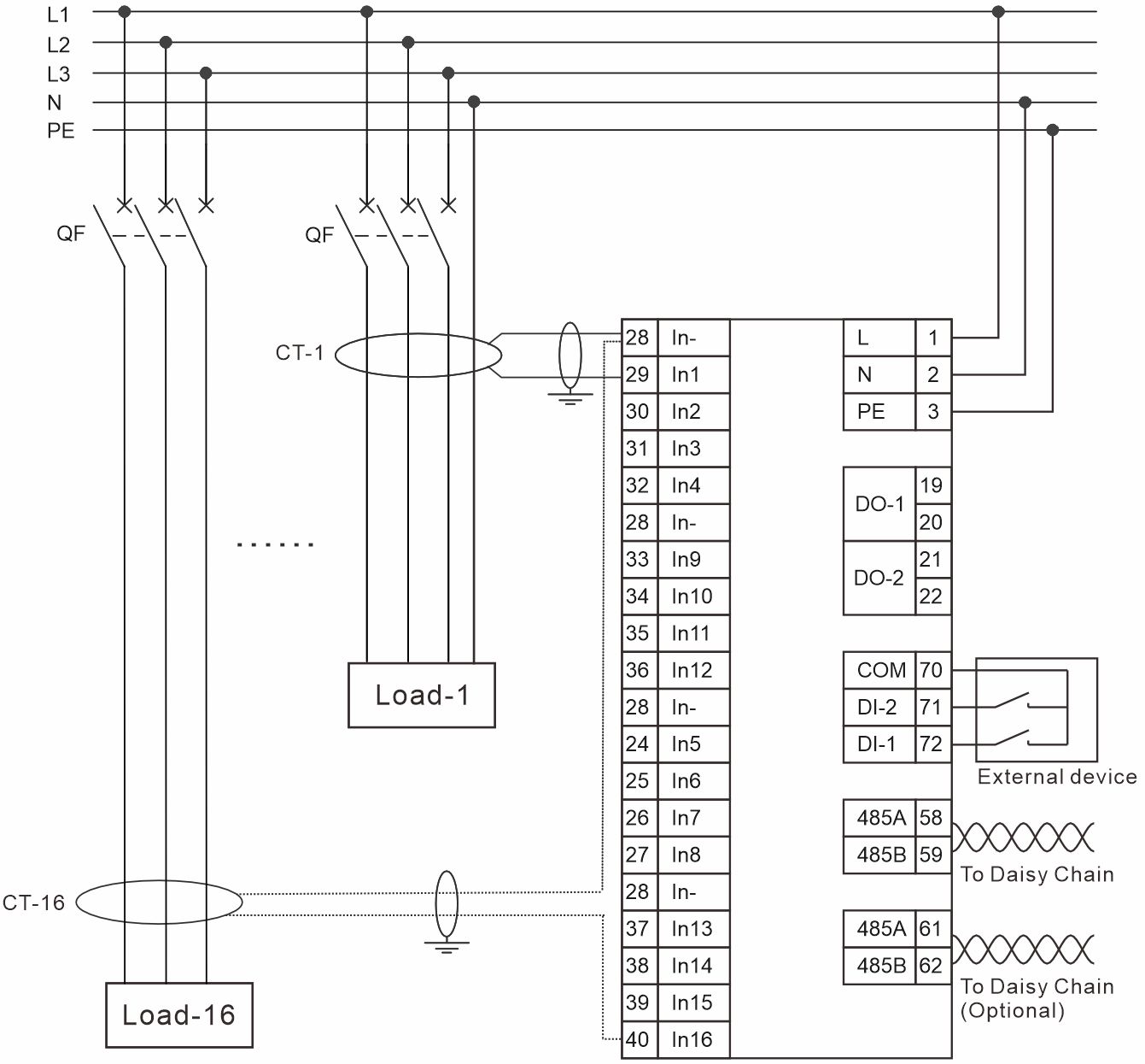
ELR-CH16 Multi-Channel Earth Leakage Relay is a comprehensive safety measure designed to protect individuals and equipment from electrical hazards caused by leakage currents. It can monitor the leakage current of up to 16 circuits, with a monitoring range of 20 to 1000mA. The leakage current monitoring unit offers real-time leakage current monitoring, presenting measured values through a backlit graphical LED display for easy programming. If your project needs complete protection for AC currents, pulsating, and smooth DC fault currents, this leakage current monitoring device is a good choice for early-stage leakage current protection.


The ELR-CH16 Multi-Channel Earth Leakage Relay is built-in RS485, so it can effortlessly transmit data to SCADA systems. Through the RS485 interface, the parameters of the leakage current relay can be set remotely, and various data of the leakage current relay can be monitored in real-time. Moreover, we offer communication interface OEM and ODM services for the leakage current monitor, enhancing its adaptability for various applications.
For added flexibility, the Earth Leakage Relay allows users to choose between a designated current transformer or a temperature sensor for each channel to identify parameters and trigger alarms or trips at specified thresholds. Multiple AC DC Leakage Current protection relays can be seamlessly integrated with circuit breakers for constructing MRCD applications.

The Leakage Current Monitoring Device provides continuous monitoring of leakage currents with a high-precision adjustment step of 1mA, records 100 event data points with time stamps and fault types, and supports manual self-checks. It features a wide temperature alarm setting range of 50.0 to 120.0°C with 0.1°C increments, dual relay outputs for flexible protection configurations, and a built-in buzzer for audible alarms. The leakage current monitoring relay also includes password protection for settings and is designed for easy installation in electrical cabinets.











