With the accelerating global energy transition, heat pumps, as a highly efficient and clean heating and cooling technology, are increasingly being used in residential, commercial, and industrial sectors. However, the efficient operation and precise management of heat pumps rely heavily on the scientific measurement of their energy consumption. Heat pump energy metering solutions have become crucial for achieving cost control, energy efficiency optimization, and system reliability.
Heat pump energy meters allow you to accurately measure the energy consumption of your heat pump, enabling precise tracking and efficient energy management.
First, it solves the problem of opaque operating costs by itemizing metering, separating the heat pump’s actual electricity consumption from the total electricity bill, thereby enabling accurate quantification of operating costs.
Second, electrical input, as the basis for energy-efficiency calculations, is an indispensable element for verifying the heat pump’s COP and ROI.
Third, in multi-user scenarios, it achieves fair billing by providing reliable energy consumption data, eliminating the pain point of unfair cost sharing.
Furthermore, real-time monitoring of current and power curves by the meter is key to enabling predictive maintenance and avoiding delays in fault diagnosis. Finally, it provides a basis for the coordinated control of heat pumps with photovoltaic or energy storage systems, helping users optimize operation during periods of low electricity prices and maximize the utilization of renewable energy.
Electricity meters are mainly used for heat pumps energy monitoring. As for different heat pumps, you need to install different types of energy meters.
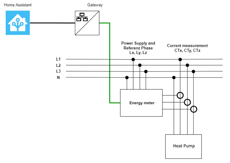
To understand the energy consumption structure of a household and maximize self-consumption of photovoltaic power, users typically install single-phase/three-phase DIN rail-mounted energy meters with Modbus or Wi-Fi communication specifically for measuring the electrical input of the heat pump circuit. These types of electricity meters not only easily connect to smart home systems or heat pump manufacturers’ apps, but also accurately track heat pump operating costs and adjust operating strategies based on electricity prices and solar power generation.
To fairly allocate the centralized heating/cooling costs of heat pumps in multi-family residences or multi-department buildings, users can install high-precision three-phase multi-circuit electricity meters at the energy station (where the heat pump is installed) to measure the total input electricity. Simultaneously, an independent heat meter is installed in the heating/cooling circuit of each user unit. This allows for accurate and transparent cost allocation based on total electricity costs and heat consumption data for each unit. Since installing multiple independent meters in different locations within a building is too costly, multi-channel meters are often used for refined heat pump energy monitoring and management, especially in factories or large buildings with multiple heat pump subsystems.
In industrial waste heat recovery projects, multi-functional energy meters are installed to accurately monitor the voltage, current, and power factor of the heat pump under full and partial load conditions. Then, by integrating a high-precision industrial-grade heat meter, real-time COP monitoring and data analysis platform access are achieved. This allows for precise measurement of the recovered heat value and electricity costs, verifying the project’s actual economic benefits.
f you only need to measure the heat pump’s electrical input, you can install only one dedicated electricity meter. If you require precise monitoring of electricity and heat for multi-user/commercial building/industrial applications, you can install both an electricity meter and a heat meter for granular management of the heat pump’s energy consumption.
