Background of using DH4-60 Peltier Cooler Dehumidifier: A high humidity environment is a big impact factor on power transmission and transformation equipment. It will bring discharge, flashover will eventually cause the switch to trip, and even burning down equipment will cause a large-scale blackout. Switchgear, electrical cabinet, exchange control cabinets, outdoor terminal boxes, Due to the compact internal equipment installation, wet and condensation will be more serious consequences.
At present, most users choose heating, ventilation, and other methods to prevent condensation. but in some well-sealed cabinets and high-temperature environments, the traditional heating and exhaust air method is hard to work well.
Blue Jay company developed the DH-63 Peltier Cooler Dehumidifier using semiconductor technology, in a certain place to lead to controlled condensation, making the cabinet interior humidity fall to a safe value. This cooler dehumidifier is designed for ultra-small install size, is high-efficiency energy-saving, and does not need an extra heater and fan wiring. And comes with a data acquisition module for remote monitoring, It‘s an efficient and reliable device to replace the old thermostat and heater/fan combination.
Features
- Small size, easy for cabinet inside installation
- Quickly reduce the switchgear internal humidity, exclude water out of air
- Condensate water will be drained directly to the outside of the cabinet by the aqueduct
- Automatic & manual dehumidification mode
- Free to set temperature / dehumidification start value
- Real-time sampling temperature and humidity
- Do not need extra sensor and probe
- Optional passive output node for external heater
- Optional RS485 port
Specification
| Working power |
| Power supply |
85V~265VAC/DC 50Hz |
| Peltier rated power |
60W |
| Air volume flow |
70m3/h |
| Dehumidifying capacity |
300ml/Day,@35°C,90%RH |
| Measurement and ability |
| Humidity monitor range |
20%RH~98%RH |
| Sensor accuracy |
±5%RH |
| Dehumidify start threshold |
45%RH~98%RH, Default 65%RH |
| Environment temperature |
5~60°C |
| Temperature monitor range |
-40~80°C |
| Sensor accuracy |
±1.0°C |
| Heater start threshold |
1~55°C, Default 5°C |
| Heater power |
50~500W optional |
| Other |
| Aqueduct |
Silicone D10mm, Length 2m/3m optional |
| Material |
Sheet metal with anti-rust spray |
| Physical dimension |
132mm*245mm*67mm |
| Screen |
2*3 digital LED |
| Standards |
IEC60255-22-1 |
| Communication |
RS485, Modbus-RTU (Optional) |
Application
- GIS control cabinets.
- HV/LV control switchgear.
- Ring network cabinets.
- Mechanical control cabinets.
- Box-type substations.
- Dry-type substations.
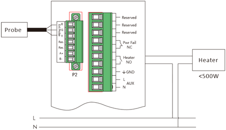
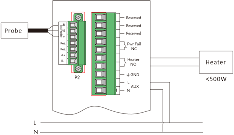
Wiring method

Default dry node, heater need additional power supply.

Optional wet node version, heater can be powered by the dehumidifier.
Models
| Model |
Max power |
Air volume flow |
Sensor |
Material |
Additional functions |
| DH1-20 |
20W |
30m3/h |
Built-in |
ABS |
-RS485 Communication
-Heater (100-300V)
-Alarm (Sensor disconnection,Power loss ,Temperature and humidity over limit) |
| DH2-60 |
60W |
70m3/h |
External |
ABS |
| DH3-60 |
60W |
70m3/h |
Built-in |
ABS |
| DH4-60 |
60W |
70m3/h |
External |
Sheet metal with
anti-rust spray |
| DH5-80 |
75W |
100m3/h |
External |
Aluminum alloy |
| DH6-200 |
200W |
140m3/h |
External |
Sheet metal with
anti-rust spray |
| Notes:
1. Only Model DH4-60 and DH6-200 can choose all three additional functions, other models like DH1-20 can only choose two of three.
2. If the enclosure dehumidifier has a built-in sensor, you cannot select the sensor disconnection alarm.
3. Alarm node: default dry node, equipment failure: default normally open |