Features
- Dehumidification ducts actively produce condensation and released gas is dehumidified by heating.
- Automatic/manual dehumidification function optional, temperature and dehumidification start value adjustable.
- Humidity and temperature sensor 24-hour real-time sampling.
- With 2 Fans & a lifespan of over 40000 hours.
- Small size, lightweight, easy installation.
- RS485 communication function optional.
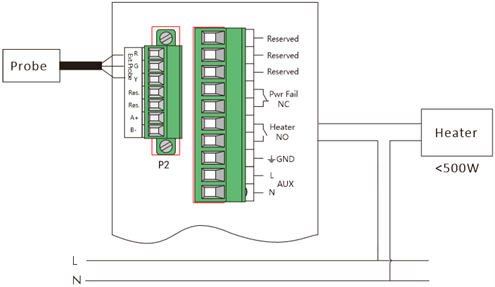
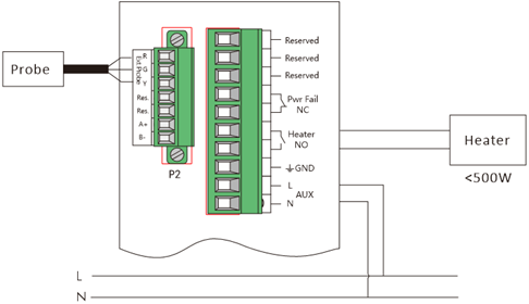
- The heating function is optional.
- The alarm function is optional.




-600x600.png)




-300x300.png)
