Free cookie consent management tool by TermsFeed Update cookies preferences
Technology of Electrical Automatic

MPR-6M Multifunction Protection Relay

MPR-6M Multifunction Protection Relay

The MPR-6M Multifunction Protection Relay is suitable for circuit protection and monitoring of electrical lines and distribution cabinets. It can monitor various parameters in real time, such as current, voltage, power, and electric energy. It is particularly ideal for safety protection of critical power supply lines, fire power distribution, industrial power cabinets, computer rooms, and intelligent building power distribution systems.

The device has a built-in Class 0.2 high-precision measurement unit, with standard 2* DO output, 2* DI input, 4-way temperature sensors, and 2-way residual current monitoring. It supports multiple protection action modes including overcurrent, overvoltage, and undervoltage. Via RS485 communication, it can upload data to SCADA, EMS, and smart operation and maintenance platforms. It also features functions like sound and light alarm, remote control, and automatic tripping.

The MPR-6M Multifunction Protection Relay is suitable for circuit protection and monitoring of electrical lines and distribution cabinets. It can monitor various parameters in real time, such as current, voltage, power, and electric energy. It is particularly ideal for safety protection of critical power supply lines, fire power distribution, industrial power cabinets, computer rooms, and intelligent building power distribution systems.

The device has a built-in Class 0.2 high-precision measurement unit, with standard 2* DO output, 2* DI input, 4-way temperature sensors, and 2-way residual current monitoring. It supports multiple protection action modes including overcurrent, overvoltage, and undervoltage. Via RS485 communication, it can upload data to SCADA, EMS, and smart operation and maintenance platforms. It also features functions like sound and light alarm, remote control, and automatic tripping.

Protection function

Protection function Real-time monitor parameter
Overvoltage Three-phase current
Undervoltage Current imbalance
Overcurrent stall Heat capacity
Undercurrent Ground residential current
Overload Three-phase line voltage
Underload Frequency
Phase failure (Phase loss) Power factor
Current imbalance Active power
Under power Reactive power
Ground fault Apparent power
Short circuit Electrical energy
External failure
Overtemperature
Module failure
Abnormal frequency
Abnormal power factor

Feature

  • Class 0.2, real-time measurement of key electrical parameters;
  • Protection for overcurrent, over/undervoltage, etc. (including residual current);
  • 2 channels relay outputs (custom logic);
  • 2 channels passive digital inputs;
  • 4 channel temperature monitoring (equipment/cabinet protection);
  • 2 channels residual current detection (electrical fire detection);
  • Supports RS485 Modbus RTU communication;
  • Built-in sound-light alarm; manual mute/reset/self-test;

Application

  • Feeder protection/monitoring in low-medium voltage systems;
  • Industrial cabinet: electrical fire prevention & fault isolation;
  • Protection for transformers, generators, motors;
  • Data acquisition for SCADA, EMS, power management platforms;

Specification

Working power
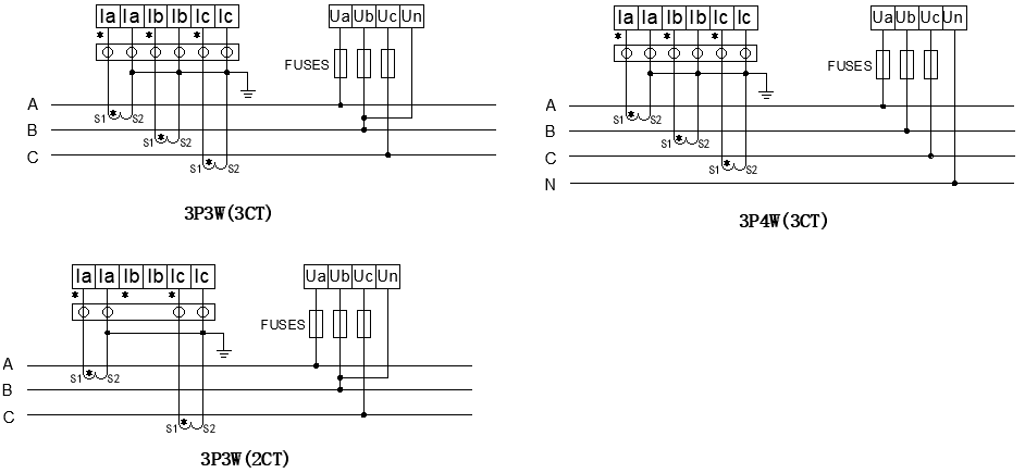
Power grid mode 1P2W, 3P3W, 3P4W
Power supply 85-265VAC/DC, 45-65Hz
Consumption ≤5VA
Data refresh frequency 1S
Voltage input
Rated value 100V/220V/380V
Overload 1.2Un
Power consumption <0.2VA
Impedance 0.5MΩ
Current input
Rated value AC 100mA, 1A, 5A (please specify when ordering)
Overload Measurement: 1.2 times Instantaneous: 10 times/3s
Power consumption <0.1VA
Impedance <20MΩ
Accuracy
Voltage, current 0.2
Power 0.2
Residual current 1%
Temperature ±2℃
Frequency ±0.02Hz
Active energy 0.5S
I/O capacity
DI 2 channels, dry contact, Ri<500Ω turns on, Ri>100kΩ turns off
DO 2 channels, contact capacity: 5A@250VAC; 5A@30VDC, isolation voltage: 2500VAC
Communication RS485, Modbus-RTU, baud rate 1200-19200bps
Pulse output 1 channel, pulse width 80ms, photoelectric isolation
Safety
Pollution degree 2
Overvoltage category CAT III@277/480VAC
Insulation capability 2kV AC RMS 1 minute, between input / output / case / power supply
EMC test
Discharge immunity test IEC-61000-4-2 level 4 @8kV
Fast transient burst immunity test IEC61000-4-4 level 3 @Input 1kV; Power supply 2kV
Surge (Shock) immunity test IEC61000-4-5 level 4 @Common mode: 4kV
Environment
Working temperature -10°C ~ +55°C; RH 5% ~ 95% (non-condensation)
Storage temperature -40°C ~ +85°C; RH 5% ~ 95% (non-condensation)
Others
SOE record 60 lists, (30 lists DI/DO SOE and 30 lists Alarm SOE)
Dimension 110mm×108mmx66mm (W*H*D), 35mm Din-rail mounting

Dimension

6P dimension

Wiring method

Wiring method of MPR-6M

Download

Catalog of MPR Multi-Function Protection Relay

MPR-6M- User Manual-V1.10